Home > 제품소개 > 파워팩
파워팩
파워팩

Power-pack

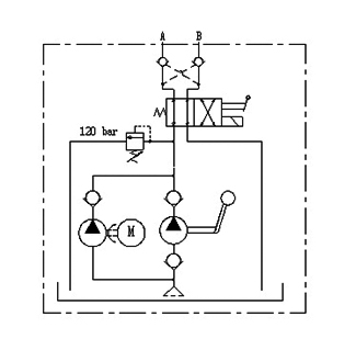
POWER PACK - CABIN TILTING PUMP

Cabin Tilting용 Power Pack으로서 On/Off Solenoid Valve를 통한 자동 작동과 Lever를 통한 수동작동 두 가지 작동이 가능하다.

Specifications

- Working Pressure : 140 bar Max.
- Relief Pressure : 125bar
- Displacement :
  Electric – 1.6 lpm
  Manual – 9.7cc/stroke
- Tank Displacement : 770 cc at “H” level
- DC Motor : 24 vdc at 120w
- Solenoid Valve : 24 vdc at 14.7w
- Hydraulic circuit

Power-pack